欢迎您进入淮安三牛电气有限公司官方网站
收藏本站
在线留言
联系我们
9年专注
伴热电缆
行业
提供伴热电缆产品
咨询热线
0517-86910057
网站首页
产品中心
客户案例
行业应用
荣誉资质
新闻动态
关于我们
联系我们
仪器仪表
您的位置:
首页
>>
产品中心
>>
仪器仪表
电伴热系统
电加热系统
控制及配电箱体
代理进口产品
prev
next
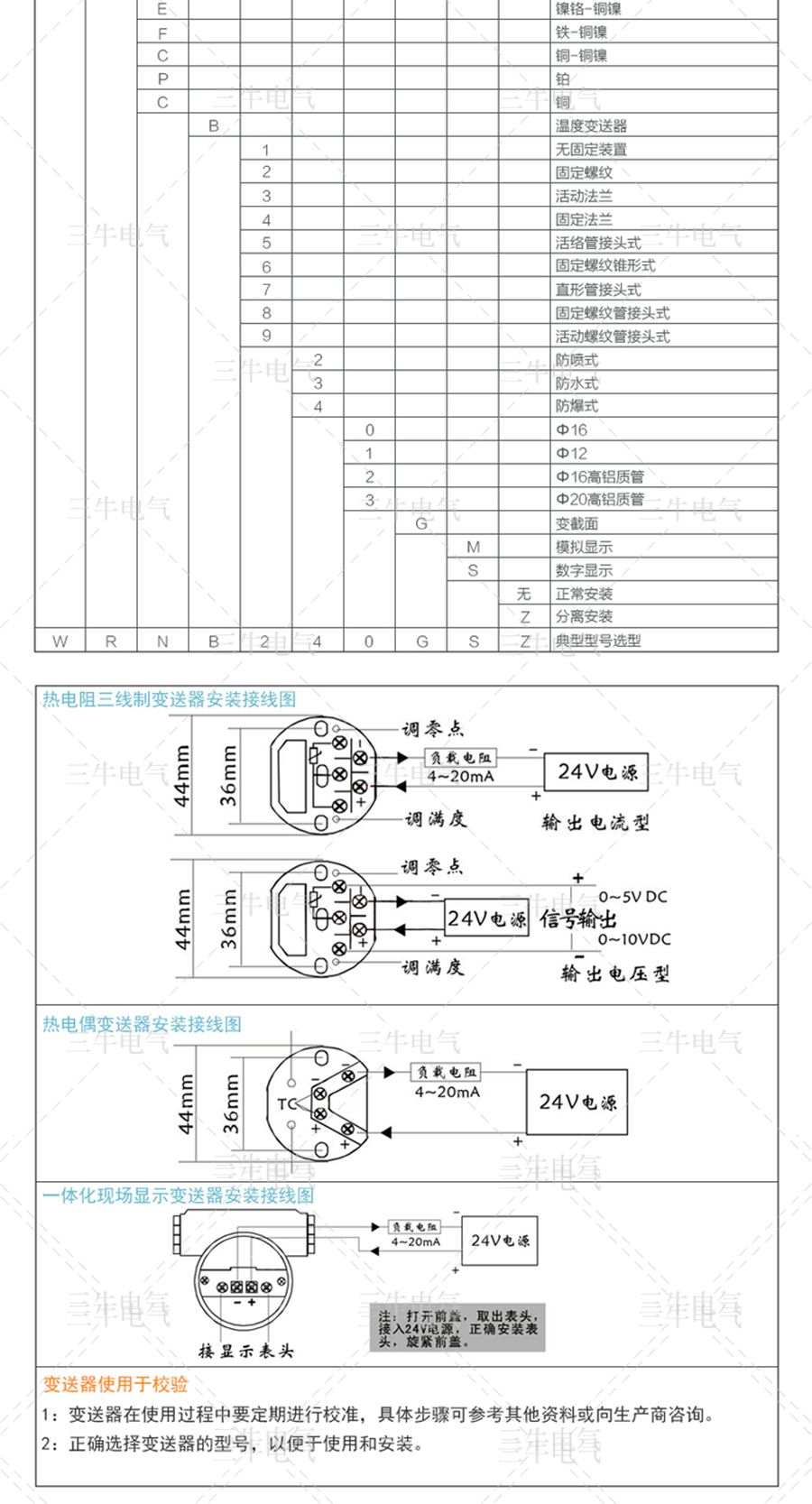
一体化温度变送器
一体化温度变送器
咨询热线:
0517-86910057
热门推荐产品
仪表箱
SN系列仪表保温箱
仪表保护箱
液体加热器
风道加热器
产品详情
一体化温度变送器
咨询:一体化温度变送器
联 系 人*
手机号码*
电子邮件
网站首页
产品中心
客户案例
行业应用
荣誉资质
新闻动态
关于我们
联系我们